详细说明
● 0~1m/s到0~20m/s量程现场可调
● 不锈钢传感器/探杆/外壳
● 精度3%或1%可选
● 4~20mA或Modbus输出可选
● 标配LCD显示器
● 一体化和分体式两种安装方式
● IP65防护
为了提高风速计的使用寿命,SAILSORS率先使用了工业级的316不锈钢铠装RTD传感器作为热式风速测量元件,这种传感器对水份/灰尘/腐蚀不敏感。TF122风速变送器标准配置LCD显示器和风速风温同时输出功能,通过按键用户可在现场改变量程,如果需要,可以增加压力传感器,从而实现风速/风温/风压同时输出和显示。
除了测量风速和温度和压力,TF122还可计算体积流量m3/h或ft3/min。通过按键,用户可以很方便的修改风速/风温/风压的测量量程,响应时间和低风速切断点等。
产品应用:空调系统的风速测量、过滤器监测、压缩空气节能、风扇监测和排气跟踪、通风柜和气柜测量、清洁室和净化台表面速度测量、进出气流的能量管理
性能指标
量程: 风速:最小0~1m/s,最大0~40m/s
压力:最小0~500Pa,最大0~10kPa
温度:-10~50℃或-20~85℃
输出信号:风速/风温两路输出
精度: 风速:3%F.S和1%F.S可选
温度:1℃
供电:24VDC±20%
响应时间:3秒
阻尼时间:3秒~30秒可调
材质: 传感器 316不锈钢
外壳 304不锈钢
探杆 304不锈钢
防护:IP65
工作压力: 50kPa
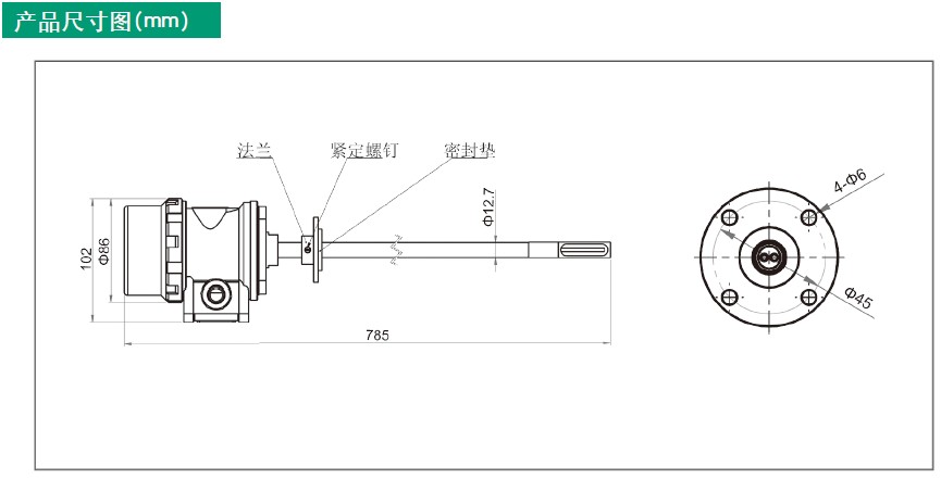
探头尺寸:14mm外径,长度200mm~1000mm可选
连接:带安装密封套的可管卸法兰。分体式安装时,变送器配有安装支架,探头与变送器之间带有赫斯曼接头,电缆由用户自备。








