详细说明
2000DU指针变送器利用无摩擦的磁体螺旋运动,以橡胶膜片作为敏感元件而进行测量,能利用指针迅速指示出被测气体的压力,无论是正压、负压或差压。此设计具有防震、晃动和过压的功能。而且表内无需充注液体,也就没有气化、冻结、异味的问题出现。在此技术上,又增加了射频非接触位移测量技术,将膜片的位移量转化为标准的4~20mA电流输出。
2000DU是机械表和变送器的二合一产品,同时提供清晰易读的指针指示和标准两线制4~20mA电流输出功能,在断电的情况下,不会影响现场读数。
性能指标
● 机械表性能指标
适用介质:空气及与之兼容的非易燃性气体
外壳材质:压模铸铝或含尼龙的ABS塑料。
精度:标准为±2%F.S(60Pa和125Pa为±4% F.S)
稳定性:±1%满量程/年
压力极限:100KPa
温度范围:-7~60℃
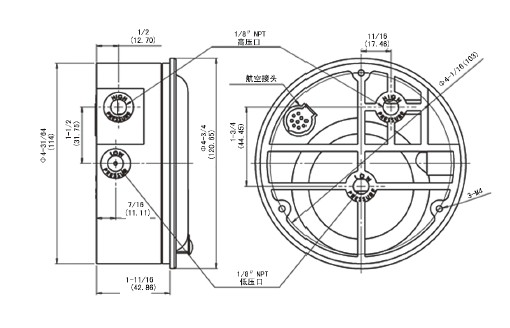
过程连接:高压和低压孔均为1/8″锥管螺纹,两组(侧面和背面各一组)
过压:约172KPa时橡胶过压塞被冲开。
尺寸:4″大表盘
重量:460g(铝),275g(ABS)
标准附件:2个1/8″NPT堵头,2个1/8″螺纹橡胶管接头,和3个带螺钉的嵌入式安装螺钉卡。
● 变送器性能指标
精度:±2%F.S (包括非线性、迟滞、重复性)
温度范围:-7~60℃
温度漂移:0.05%FS/℃
供电电源:12~30VDC
电流输出:4~20mA
零点调整:单独旋转调节
回路阻抗:最大 0~1250Ω
最大电流:25mA
电气连接:塑料航空插头








