LONGRUI P2000系列差压表,压差表,压差仪

鼠标点击图片放大
产品名称: LONGRUI P2000系列差压表,压差表,压差仪
公司名称: 龙睿科技官方网站
产品型号: P2000-60Pa
产品简介:

详细说明

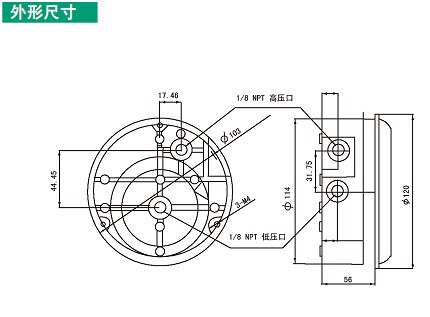
技术参数

精度:标准为±2%F.S.(其中60Pa-125Pa为±4%F.S.);
环境温度:-7~60℃;
额定压力:-68~100KPa;
过程连接:两组1/8″NPT螺纹孔(侧面和背面各一组);
外壳材质:铸铝外壳和丙烯酸表罩。
重量: 460g(铝),
标准附件:2个1/8″NPT堵头,2个1/8″螺纹橡胶管接头,和3个带螺钉的嵌入式安装螺钉卡。

        

       我公司生产和销售的压差表,规格型号齐全,质量与杜威,塞尔瑟斯的一样,价格却比他低很多。全部产品质保三年,一年内有质量问题包换!具体规格请来电咨询!

Products
相关产品

网站地图|联系我们|客户留言|诚聘英才|管理后台