详细说明
Digihelic的功能,和Photohelic表一样的尺寸
产品介绍:
DH3系列Digihelic®差压控制器是一个三合一仪器,拥有数显表,控制继电器开关,和变送器输出,这些全都安装在通用型Potohelic®表盒中。结合这三个特点,避免了在一个产品中安装多重仪表,节约库存、安装时间和成本。Digihelic®控制器是一款理想的用于测量压力,速度和流量的工具,量程为0.25"w.c到2.5"w.c的 精度是1%,量程大于等于5"w.c的是0.5%。也可提供双向量程.开方根输出可用于流量计算.
DH3系列Digihelic®差压控制器在测量压力,速度或容积流量运行中,能够互换几个常用的工程单位。2个单刀双掷继电器开关可调节死区,并具有可升级的4-20mA过程输出。使用菜单键是很容易编程的,进入5种简化菜单,可选择:安全级别;选择压力、速度或流量运行方式;选择工程单位;流量传感器时的K系数选择;在流量应用中选择的矩形或圆形管;设定点控制或设定点和报警操作;报警操作有高,低或高/低报警,自动或手动报警复位;报警延迟;看最高和最低的进程读数;不稳定过程数字阻尼;可升级4-20mA定标输出来满足不同应用的量程范围。
主要应用:集尘袋过滤器、输送管的流量测量、过滤器状态、输送管或建筑物的静压、风扇控制等。
技术参数:
介质:空气和不可燃,兼容的气体
材质:请向厂家咨询
外壳材料:硬铸铝
精度:<5”w.c(除了±2.5”w.c型之外):±1%;其它所有型号在77℉(25℃)为±0.5%包括滞后性和重复性(1小时热身后)
稳定性:每年<±1%
压力范围:量程≤2.5”w.c;25psi;±2.5”,5”w.c:5 psi;10”w.c:5 psi;25”w.c:5 psi;50”w.c:5 psi;100”w.c:9 psi
温度范围:32至140℉(0至60℃)
补偿温度范围:32至140℉(0至60℃)
热效应:0.020%/℉(0.036/℃)从77℉(25℃)
电源:12-24VAC/VDC
电力消耗:最大3VA
输出信号:4-20mA DC最大900欧姆
零点和范围调整:通过菜单调整
响应时间:250ms
显示:4位液晶显示0.4”高LCD指示设定点和报警状态
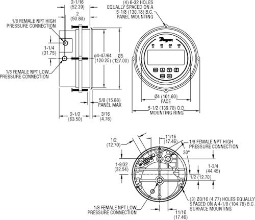
电气连接:15针连接;18”(46cm)电缆带10
连接件:1/8英寸FNPT阴螺纹,侧面或背部连接
安装定位:在垂直平面安装
尺寸:5”(127mm)O.D.×3-1/8”(79.38mm)
重量:1.75磅(0.794KG)
认证:CE
开关规格:
开关类型:2个SPDT
电气指标:1A@30VAC/VDC
设定点调节:可通过表面按键调节
选型表:
|
型号 |
量程("w.c.) |
型号 |
量程("w.c.) |
|
DH3-002 |
0-0.25 |
DH3-011 |
0-100 |
|
DH3-003 |
0-0.5 |
DH3-013 |
0.25-0-0.25 |
|
DH3-004 |
0-1 |
DH3-014 |
0.5-0-0.5 |
|
DH3-005 |
0-2.5 |
DH3-015 |
1-0-1 |
|
DH3-006 |
0-5 |
DH3-016 |
2.5-0-2.5 |
|
DH3-007 |
0-10 |
DH3-017 |
5-0-5 |
|
DH3-009 |
0-25 |
DH3-018 |
10-0-10 |
|
DH3-010 |
0-50 |
|
|
附件:
A-298 平面的铝托架
A-370突出的安装托架,嵌入式安装支架,表面安装。钢制,灰色环氧表面







