详细说明
● 久经考验的磁链接原理
● 清晰易读的4"大表盘
● 指示精度高2%F·S
● 从60Pa到30KPa有81种量程
● 差压/正压/负压/正负压皆可
● 三年质保期,免费更换
A2系列机械式微差压表是利用简单、无摩擦的磁体螺旋运动,以橡胶膜片作为敏感元件而进行测量工作的弹性式压力表,它能利用指针迅速指示出被测气体的压力,无论是正压、负压或差压。此设计具有防震、摇动和过压的功能。而且表内无需充注液体,也就没有气化、冻结、异味的问题出现。
A2差压表被广泛应用于测量风扇和鼓风机的压力、过滤器阻力、风速、炉压、孔板差压、气泡水位及液体放大器或液压系统压力等,同时也用于燃烧过程中的空气煤气比值控制及自动阀控制,以及医疗保健设备中的血压和呼吸压力监测。
性能指标
精度:标准为±2%FS(60Pa和125Pa为±4% FS)
环境温度:-7 ~ 60℃
额定压力:-68 ~ 100KPa
过压:约100KPa时橡胶过压塞被冲开。
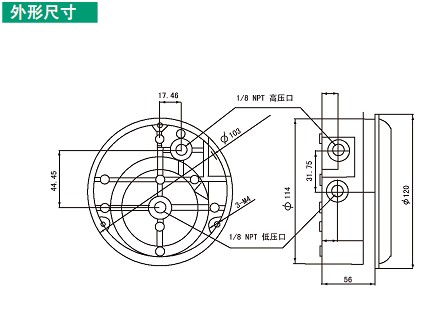
过程连接:高压和低压孔均为1/8″锥管螺纹,两组
(侧面和背面各一组)
外壳材质:压模铸铝或含尼龙的ABS塑料。
重量:460g(铝),275g(ABS)
标准附件:2个1/8″NPT堵头,2个1/8″螺纹橡胶
管接头,和3个带螺钉的嵌入式安装螺钉卡。
丶
产品选型







