变频器在造纸机械上的应用
来源: 作者: 发布时间:2010-12-17 11:18 点击数:246
一、简介
造纸工业在整个国民经济中占有重要的地位,然而造纸机械的车速控制历来是造纸工业的薄弱环节。造纸工艺要求各部分的线速度在各自同步频率点下,做到绝对同步,这样才能保证纸张光滑,厚度均匀,不起皱,不拉断。而车速的高低,稳定性和可调性又直接影响到纸张的产量和质量,由于多年来造纸业直流励磁调速占了较大比例,尽管直流励磁调速电机具有调速性能好,启动转矩大等优点,但存在许多缺点:成本高;整流子,电刷维护困难;难用于恶劣场合;噪音大不适合作业。
在能源紧张的今天,全国大部分省份开始限电,特别是华东地区缺电现象尤其严重,造纸行业作为耗电大户,节能也显的尤为突出,因此在当前电机变频调速技术飞速的发展提供了这种可能性,但对于低档的纸来说,为了节省成本,不用国外昂贵的进口设备,也无须采用上位机与其他任何控制器,易能变频器独特的两路模拟量同步控制方案可以满足造纸行业的要求。易能变频器可以把一路模拟量当作主机统调而另一路各机单独微调。
二、实例分析
下面是主要生产200-340克牛皮挂面纸的某造纸厂应用易能变频器进行改造的实例。
-
纸机传动对电气控制系统的要求
纸机由移主压、干燥部、压光部、卷取部组成。共6个传动点,总功率120kW,各传动点功率及变频器型号如附表所示。
|
附表:传动点功率及变频器型号
|
|
传动点
|
变频器型号
|
电机功率(KW)
|
|
移主压
|
4T0450G
|
45
|
|
大缸
|
4T0150G/B
|
15
|
|
主压机
|
4T0185G
|
18.5
|
|
组干机
|
4T0150G/B
|
15
|
|
压光机
|
4T0185G
|
18.5
|
|
卷纸机
|
4T0075G/C
|
7.5
|
2. 纸机对传动系统的工艺要求
为了能生产出质量标准较高的产品,纸机对传动系统有如下的工艺要求:
a) 纸机工作速度要有较大的调节范围:为了使造纸机具有较强的产品、原料的适应性(如打浆度、浆料配比与种类、定量、纸种等),纸机传动可在较大的范围内均匀的调节速度,调速范围D=1:8。
b) 车速要有较高的稳定裕度:总车速提升、下降要平稳。纸机速度常因电源的电压、频率以及纸机负荷等因素的变化而波动。为了稳定纸的定量和和质量、减少纸幅断头,要求纸机稳速。
c) 各分部间速比可调、稳定:纸幅在网部和压榨部时,其纵向伸长横向收缩,而在烘干部时,两向都收缩。因此纸机各分部的线速度稍有差异。纸机各分部的速比的最大波动值与浆料配比、定量、车速、生产工艺、分部之间的纸幅无承托引段的张力等因素有关。因此,造纸机各相邻分部间应有适当的速差来形成良好的纸页。纸机各分部的速度必须是可以调节的,在±10-15%。同时,为了生产较高质量的纸幅和减少断头率,就要保持各分部间速比的稳定。当出现负荷变化或其它干扰导致某分部的速度变化时,应保持能及时调整,使分部速比的变化不超过规定的范围。
d) 单个分部点的具有速度微升,微降功能,引纸操作时的紧纸功能。并且在这些分部中,应具有单动、联动功能。并可以同时起动、停止。必要的显示,如:线速度、电流、运行信号、故障信号等。
e) 各路单独微调为了检修和清洗各分部的运行工况,各分部应单独微调,同时同步速度中各分部的速度调整在不同的值,才能做到以后的同步控制。
f) 纸机传动为恒转矩负载性质,要选择具有恒转矩控制性能的变频器,并具有较高的分辨率,以满足纸机控制系通正常工作的需要。
3. 电气控制系统组成
(1) 系统硬件组成
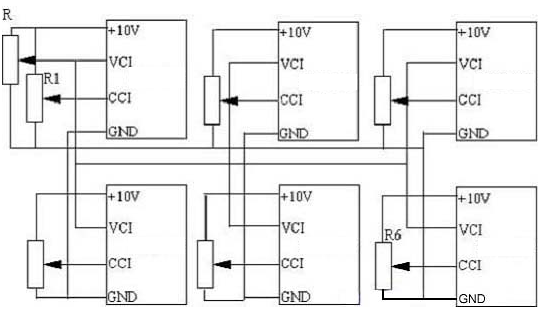
变频器采用高性能通用变频器,电机采用异步电动机。系统硬件组成如下图所示。

(2)多电机传动牵伸同步的控制
在造纸设备中,其在确定各部分相对的速度同步为基础。有一个主给定信号,同步控制的目标就是保证无论在加速,恒速或者减速过程中都能保持同步的比例性。
4. 模拟量同步控制以及模拟量各分部微调
当一台整机要求在一个主令转速的设置下,各单元同步协调工作;可以配置同步控制器,该同步控制器可对各单元传动速度分别整定,以实现各单元以一定的比例速度同步工作。采用易能变频器可以不用同步控制器利用易能变频器两路模拟信号中的一路VCI模拟通道为主给定,负责同步控制,而另外一路CCI负责各部分的微调。

最新评论
发表评论